鋁型材配件
Product accessories
Product accessories
聯系APAS / Contact us
- 地址:天津市西青經濟技術開發區賽達國際工業城A3-2.
- 郵箱:lxc@apas.com.cn
- 電話:022-87920088
- 傳真:請聯系網絡管理員
- 郵編:300385
- 咨詢熱線:13702119190(24小時服務熱線)
鋁型材門窗配件 / Industrial Closure
產品名稱 / Name
圓碰門吸
產品描述 / Describe
圓碰門吸是一種用于工業門_窗開關固定裝置,避免門/窗隨意開合;門吸安裝需要搭配專用緊固配件以及L型安裝板,具體安裝工藝請參照以上安裝示意圖;
022-87920088
可以根據需求進行設計加工,提供上門安裝服務;可以根據特殊需求進行鋁型材開模定制。
* 免費提供工業鋁型材選型手冊 →點擊咨詢
|
|
| 圓碰門吸是一種具有磁性吸力的功能配件,主要用于6063-T5系列工業鋁型材設計搭建的門、窗不閉合固定用途,避免門窗隨意開關;圓碰門吸分為兩部分,部分1帶有磁性功能,固定于立柱結構,部分2屬于鐵金屬,可以與部分1吸合,安裝于門/窗固定安裝點,從而實現固定功能; |
![]() ![]()
|
|
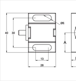
(圓碰門吸技術參數-安裝示意圖)
|
|
名稱
|
a(mm)
|
b(mm)
|
M×P(螺紋)
|
材質
|
訂貨編號
|
|
圓碰門吸
|
19
|
12
|
M5×0.8
|
尼龍/黑色
|
CE-ML2840
|
|
圓碰門吸材質為尼龍材質,門吸內部有磁鐵,可以吸合金屬原片,從而實現固定功能;圓碰門吸適用于小型的門窗結構,對于安裝工藝精度要求較高;圓碰門吸與鋁型材門窗固定安裝需要搭配專用的禁緊固接件以及L型安裝板,具體技術參數請參照以上技術標準; |
聯系APAS/ Contact us
天津艾普斯工業鋁型材股份有限公司
聯系電話:022-87920088
企業傳真:(避免惡意廣告)請聯系該企業網絡管理員
服務熱線:13702119190 (24小時服務熱線)
Q Q:534973906
企業郵箱: lxc@apas.com.cn
企業地址:天津市西青經濟技術開發區賽達國際工業城A3-2
聯系電話:022-87920088
企業傳真:(避免惡意廣告)請聯系該企業網絡管理員
服務熱線:13702119190 (24小時服務熱線)
Q Q:534973906
企業郵箱: lxc@apas.com.cn
企業地址:天津市西青經濟技術開發區賽達國際工業城A3-2
采購意向留言:* 為必填















QQ咨詢
電話聯系
聯系電話

在線留言
樣冊下載
